(新编)公因子方差.doc
6页
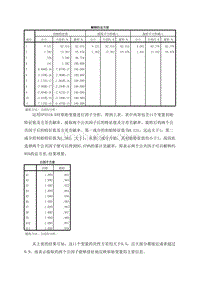
解释的总方差初始特征值 提取平方和载入 旋转平方和载入成份 合计 方差的 % 累积 % 合计 方差的 % 累积 % 合计 方差的 % 累积 %1 9.121 82.916 82.916 9.121 82.916 82.916 9.061 82.376 82.3762 1.382 12.563 95.478 1.382 12.563 95.478 1.441 13.102 95.4783 .356 3.240 98.7184 .141 1.282 100.0005 8.666E-16 7.879E-15 100.0006 3.199E-16 2.908E-15 100.0007 -1.171E-17 -1.064E-16 100.0008 -2.468E-17 -2.244E-16 100.0009 -2.664E-16 -2.421E-15 100.00010 -3.410E-16 -3.100E-15 100.00011 -7.122E-16 -6.475E-15 100.000提取方法:主成份分析运用SPSS19.0对原始变量进行因子分析,得到上表表中内容包含11个变量初始特征值及方差贡献率、提取两个公共因子后的特征值及方差贡献率、旋转后的两个公共因子后的特征值及方差贡献率。
第一成分的初始特征值为9.121,远远大于1;第二成分的初始特征值为1.382,大于1;从第三成分开始,其初始特征值均小于1,故因此选择两个公共因子便可以得到95.478%的累计贡献率,即表示两个公共因子可以解释约95%的总方差,结果理想公因子方差初始 提取X1 1.000 .843X2 1.000 .969X3 1.000 .922X4 1.000 .894X5 1.000 .956X6 1.000 .985X7 1.000 .993X8 1.000 .997X9 1.000 .989X10 1.000 .997X11 1.000 .958提取方法:主成份分析从上表的结果可知,这11个变量的共性方差均大于0.5,且大部分都接近或者超过0.9,故表示提取的两个公因子能够很好地反映原始变量的主要信息上图的信息表达的内容和公因子方差表的内容一致,碎石图中明显发现第一个公因子和第二个公因子变化最大,其累计贡献率达到了 95.48%这就说明从 11 个变量提取的两个公因子可以表达足够的原始信息成份矩阵 a成份1 2X1 .895 -.205X2 -.749 .638X3 .791 -.545X4 .779 .535X5 .946 -.247X6 .923 .366X7 .997 -.001X8 .997 .064X9 .993 .062X10 .929 .367X11 .973 .109提取方法 :主成份。
a. 已提取了 2 个成份上表表示用主成分的提取方法得到旋转前的的因子负荷矩阵,根据0.5的原则,因子1在11个变量都有很大的负荷,因此可以认为因子1反应的是总体城市化的综合情况因子2在第二产业总产值占GDP比重X2、第三产业总产值占GDP比重X3、地方财政收入X4变量上有较大的负荷,因此可以说明因子2反映的是产业结构经济发展因子旋转成份矩阵 a成份1 2X1 .874 -.282X2 -.691 .701X3 .740 -.612X4 .823 .465X5 .921 -.329X6 .951 .283X7 .993 -.088X8 .998 -.024X9 .994 -.025X10 .957 .285X11 .978 .023提取方法 :主成份 旋转法 :具有 Kaiser 标准化的四分旋转法a. 旋转在 3 次迭代后收敛采用四次方最大旋转后,得到旋转后的因子负荷矩阵同样根据0.5原则可知,因子1可以支配这11个变量,反映的是总体情况因子2可以支配第二产业总产值占GDP比重X2、第三产业总产值占GDP比重X3,反映的是产业结构因子这个与上面没有旋转的第二公共因子包含的内容略有差别,这说明该旋转对因子负荷起到了明显的作用。
故可以得到旋转后的因子分析模型为:=0.874 -0.2821X1F2=-0.691 +0.7012=0.74 -0.612312=0.823 +0.4654=0.921 -0.3295X1F2=0.951 +0.2836=0.993 -0.0887=0.998 -0.024812=0.994 -0.0259=0.957 +0.28510XF=0.978 +0.02312成份得分系数矩阵成份1 2X1 .085 -.156 采用回归法计算因子得分系数如上表所示,故可以得到因子得分函数为:=0.085 -0.041 +0.052 +0.119 +0.088 +0.1241F1X23X45X+0.109 +0.113 +0.1126789+0.125 +0.11310X1=-0.156 +0.467 -0.4 +0.379 -0.187 +0.225 -0.01 +0.036 +0.0352F23456789+0.256 +0.069101根据上述得出的因子得分函数,并构造社会发展水平评估函数,由方差贡献率求城市化进程评估函数:Zi=82.916%F1+12.563%F2。
2006-2010 年黑龙江省城市化进程发展指数年份 Zi F1 F22006 726.6603 798.7927 512.08572007 842.8866 948.2354 450.90952008 1073.235 1204.702 591.77112009 1440.589 1622.736 756.8372010 1939.186 2179.87 1048.519上表所计算出来的黑龙江省城市化进程发展指数的各个值仅代表了某一年的城市化发展水平,因此为了反映 2006 年到 2010 年的城市化发展进程,需要计算各个指数的增加值,逐期增加值=本期实际值-上期增加值黑龙江省城市化进程发展指数增加值年份 Zi 增加值 F1 增加值 F2 增加值2007 116.2264 149.4427 -61.17622008 230.348 256.4662 140.86162009 367.3544 418.0341 165.06592010 498.5974 557.1341 291.6825为了更详细的研究黑龙江省的城市化发展进程,现对上述表格中所隐含的信息做充分的分析和探讨,以求充分的认识其发展趋势。
首先看城市化进程总指数的发展:X2 -.041 .467X3 .052 -.400X4 .119 .379X5 .088 -.187X6 .124 .255X7 .109 -.010X8 .113 .036X9 .112 .035X10 .125 .256X11 .113 .069提取方法 :主成份 旋转法 :具有 Kaiser 标准化的四分旋转法 构成得分成份得分协方差矩阵成份 1 21 1.000 .0002 .000 1.000提取方法 :主成份 旋转法 :具有 Kaiser 标准化的四分旋转法 构成得分 黑龙江省城市化进程总指数 Z 增加值Zi增 加 值0100200300400500600年 份 2007 2008 2009Zi增 加 值从上图中可以看出,黑龙江省城市化进程总指数增加值一直处于上升趋势,城市化进程稳定发展究其主要原因,主要是在政府“振兴老工业基地”政策的大力扶植下,以及经济形势的逐渐好转,黑龙江省近年来的经济稳定快速的发展,这对推动黑龙江省的城市化进程有很大的作用黑龙江省城市化进程综合指数 F1 增加值黑龙江省城市化进程综合指数反映的是在 11 个指标中,用主成分的抽离方法得出的第一公共因子,具有综合反映总体的发展情况的作用,这与黑龙江省城市化进程总指数 Z 有略微的差别,但是究其本质,两者可认为一致。
正如城市化进程总指数 Z 的增加值所反映的一样,上图中城市化进程综合指数增加值也是保持稳定增长,这说明近年来黑龙江省城市化进程取得了良好的成绩,这与目前黑龙江的现状相吻合黑龙江省城市化进程 产业结构 指数 F2 增加值F1增 加 值0100200300400500600年 份 2007 2008 2009F1增 加 值黑龙江省城市化进程产业结构指数 F2 包含的内容有两个:第二产业总产值占 GDP比重 X2、第三产业总产值占 GDP 比重 X3第二产业是指对初级产品进行再加工的部门,在我国包括工业(采掘业、制造业、电力、煤气及水的生产和供应业)和建筑业第三产业是指在再生产过程中为生产和消费提供各种服务的部门,包括除第一和第二产业外的其他各行业总所周知,黑龙江省最初以其丰富的石油资源以及工业基地闻名全国,之后,在此基础上再接再厉,逐渐突出本地特色优势,逐渐对旅游业越来越重视,并对黑龙江的经济占据重要地位如上图所示,2006 年的城市化进程产业结构指数增加值处于负值,主要原因是第二产业与第三产业的总产值在 GDP 的比例中处于负增长而在 2007 年开始,这种情况好转,并连续保持两年,在 2009 年增长较快,主要原因是因为黑龙江政府为促进经济的平稳较快发展,对经济结构做出一定程度的调整,促进了第二、三产业的经济发展,这对黑龙江省城市化进程起到了重要作用。
F2增 加 值-100-50050100150200250300350年 份 2007 2008 2009F2增 加 值。




